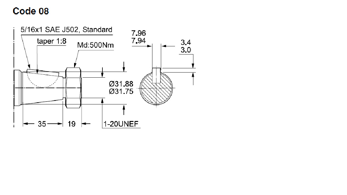
Aksel f. TG, 11/4", kode 08, std., stål

Varenummer: 855571

All Specifications

Aksel type Cylindrical shaft
Akselstr. 1 1/4ʺ
Type TG
Typekode ME019000
Varen er ikke på lager. Leveringstiden oplyses på ordrebekræftelsen.

Relaterede produkter & reservedele - Scroll ned.

Der tages forbehold for pris- og leveringsændringer.
Ved genbestilling forbeholder vi os retten til at justere prisen i henhold til leverandørens gældende priser.

Billeder kan afvige i forhold til det leverede produkt.