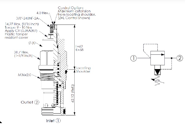
Ventil, Tr.Bgr, Cart, 3.5-105 bar, T16-2, Pilot

Varenummer: 860957

All Specifications

Typekode RP16A20BL
2 på lager

Relaterede produkter & reservedele - Scroll ned.

Der tages forbehold for pris- og leveringsændringer.
Ved genbestilling forbeholder vi os retten til at justere prisen i henhold til leverandørens gældende priser.

Billeder kan afvige i forhold til det leverede produkt.